西安92芯真空穿墻氣密封接插件
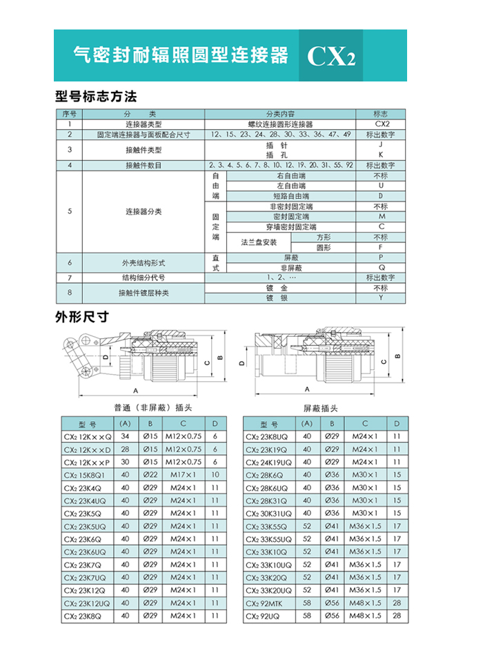
CX2系列氣密封圓形連接器,主要技術參數非等效采用美軍標MIL-C-26482G。廣泛應用于各種電子儀器、密封容器的子設備與電源之間的電路連接。該系列連接器的連接方式為螺紋鎖緊連接,使用方便。插座采用玻璃燒結工藝,氣密性好。
密封穿墻電連接器主要用于氣密座艙及其他電氣、無線電設備,需要保持氣密性能穿過墻壁的電連接。
該系列產品目前有七個殼體號,二十九個孔組數,有非密封、密封和密封穿墻等品種。尾部附件有直式壓線式、護線管式、彎式壓線式和屏蔽式四個品種;除以上四種形式的尾部附件外,還設計了 種尾部附件形式,供用戶選用。






